| View previous topic :: View next topic |
| Author |
Message |
malcolmt Flying Brick Rider
Joined: 23 Apr 2007 Posts: 369 Location: Parys, S.Africa
|
Posted: Sun May 16, 2010 1:49 pm Post subject: Speedo Repair |
|
|
Does anyone know where I may find the schematic of the rectangular speedo PCB.
I’m trying to resurrect an old cluster and need to identify a couple of components.
Thanks
Malcolm (t)
Joburg
Souf Afrika _________________ ******************************
A Bike on the road is worth two
in the shed
****************************** |
|
| Back to top |
|
 |
Tim (Midland Section) Flying Brick Rider

Joined: 08 Apr 2005 Posts: 960 Location: Pinxton, Nottingham, England.
|
Posted: Sun May 16, 2010 6:16 pm Post subject: |
|
|
Haven't got a schematic. However, you have one IC with numbers on, a couple of capacitors with numbers too, a pile of resistors which you can measure & check against their colour code & a pair of diodes, one may be a Zener which too you can test with a multimeter.
The speedo & odometer works by counting pulses from the rear wheel. A common failure is the wires between front & back. The speedo takes the pulses & drives a analogue meter the faster the pulses the higher the voltage. The odometer part amplifies the pulses & drives a stepper motor which drives the numbered wheels.
SO, what's NBG, the speedo, the odo or both? If both, chances are, is ISNT a faulty head unit. BTW the odo pulses are used to cancel the indicators after 300 metres, so if that works, the sender & wiring are OK.
Report back. _________________ Regards Tim,
Grey haired riders don't get that way by pure luck
1996 Guzzi Cali3 LAPD
1972 750 Commando
G6HRN
#485 |
|
| Back to top |
|
 |
malcolmt Flying Brick Rider
Joined: 23 Apr 2007 Posts: 369 Location: Parys, S.Africa
|
Posted: Mon May 17, 2010 4:19 am Post subject: |
|
|
Hi Tim,
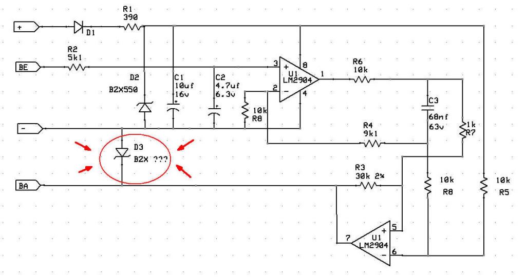
I have a cluster which had various parts swapped to fix up my K75 and K11. The PCB in question is defiantly faulty. Like you say there is no problem identifying resistors, cap, and the IC. What is puzzling me is the device which looks like a diode (2nd on the right to the IC). It has no part num, or polarity markings, it is a dead short. I suspect it’s a diac but need a little more info to identify it. I suspect the 4th on the right is a zener , hopefully its part numbers are intact.
If a schematic was available I’d be able to work back and determine the parts I’m not certain of.
Cheers
Malcolm(t) _________________ ******************************
A Bike on the road is worth two
in the shed
****************************** |
|
| Back to top |
|
 |
drikko Flying Brick Rider
Joined: 20 Nov 2009 Posts: 1966 Location: Brisbane, OZ
|
Posted: Mon May 17, 2010 9:52 am Post subject: |
|
|
I had schematics of these boards years ago, but don't now. They are definitely on the interweb thingy if you keep looking! _________________ K1100RS '97
Laverda RGS 1000 '84
Jim Young Trailer Sailer 5.7M WB
DISCLAIMER:- Anything I say may have been when I was drunk so please don't take it personally.
'Bigamy is having one wife/husband too many. Monogamy is the same.'
Oscar Wilde |
|
| Back to top |
|
 |
Flying Duck PsyKotic Waterfowl

Joined: 27 Jan 2005 Posts: 10102 Location: Bumf***, WA
|
Posted: Mon May 17, 2010 10:34 am Post subject: |
|
|
| Tim (Midland Section) wrote: | BTW the odo pulses are used to cancel the indicators after 300 metres, so if that works, the sender & wiring are OK.
Report back. |
210 actually. Not that it really matters though. _________________ 93 LT (x2)
94 RS
86-97 K75F(K75/100/1100 Frankenbrick)
86 K75C w/paralever, hi perf cams,TURBO!
91 & 92 K75Ss
91 K1
86 custom K100
14 WR250R
IBA #17739 (SS1K, BBG, 50CC)
Buy parts HERE |
|
| Back to top |
|
 |
Tim (Midland Section) Flying Brick Rider

Joined: 08 Apr 2005 Posts: 960 Location: Pinxton, Nottingham, England.
|
Posted: Mon May 17, 2010 7:29 pm Post subject: |
|
|
| malcolmt wrote: | Hi Tim,
I have a cluster which had various parts swapped to fix up my K75 and K11. The PCB in question is defiantly faulty. Like you say there is no problem identifying resistors, cap, and the IC. What is puzzling me is the device which looks like a diode (2nd on the right to the IC). It has no part num, or polarity markings, it is a dead short. I suspect it’s a diac but need a little more info to identify it. I suspect the 4th on the right is a zener , hopefully its part numbers are intact.
If a schematic was available I’d be able to work back and determine the parts I’m not certain of.
Cheers
Malcolm(t) |
As I see it you now have 4 choices
1) try a diode, from the low res picture it looks like a 1N4148
2) try two diodes in parallel there as a suppressor.
3) Assume it is a Diac which can be made using 2 Zeners in series, selecting voltage for FSD of the meter. I think it may be there to damp the meter & prevent overvoltage.
4) test with it missing.
Is it the last component before the meter, surely a buzz out of the PCB will show whether it's driving the speedo or the ODO. You haven't said which bit or both is faulty.
Duck = Pedant  _________________ Regards Tim,
Grey haired riders don't get that way by pure luck
1996 Guzzi Cali3 LAPD
1972 750 Commando
G6HRN
#485 |
|
| Back to top |
|
 |
malcolmt Flying Brick Rider
Joined: 23 Apr 2007 Posts: 369 Location: Parys, S.Africa
|
Posted: Sat May 22, 2010 5:13 pm Post subject: |
|
|
Hi all,
Tim, The cluster has a number of problems. Two years ago my K11 cluster developed a number of problems. The speedo and tacho failed, the neutral interlock stopped woking, and a couple of tracks on the flex PCB went up in smoke. I'm putting some effort into getting it sorted out.
The PCB in this topic is a preamp for the speedo pickup, once this is fixed I'll dig deeper and get other sections sorted out.
I've traced out the circuit of the PCB, the faulty part is a zener diode. What I don't know is its voltage.
It clips the output of the op amp, if anyone can help with the part num of this diode it will save me dismantling the working cluster on my K11.
Once the offending zener is identified I'll make a proper copy of the schemtic and post it.
Regards
Malcolm(t) _________________ ******************************
A Bike on the road is worth two
in the shed
******************************
Last edited by malcolmt on Sat May 22, 2010 5:20 pm; edited 2 times in total |
|
| Back to top |
|
 |
drikko Flying Brick Rider
Joined: 20 Nov 2009 Posts: 1966 Location: Brisbane, OZ
|
Posted: Sat May 22, 2010 6:14 pm Post subject: |
|
|
My guess is it would be the same as D2, unfortinately the BZX550 name is a generic name for the series and doesn't nominate the voltage. The easiest way to find out is to stick 12V on the + and - terminals and see what voltage is across D2 as it's providing regulated voltage for the op amp. You don't need to connect anything else up to test that. The voltage would be written on it, but I bet its not visible. You could pull it out though. _________________ K1100RS '97
Laverda RGS 1000 '84
Jim Young Trailer Sailer 5.7M WB
DISCLAIMER:- Anything I say may have been when I was drunk so please don't take it personally.
'Bigamy is having one wife/husband too many. Monogamy is the same.'
Oscar Wilde |
|
| Back to top |
|
 |
Tim (Midland Section) Flying Brick Rider

Joined: 08 Apr 2005 Posts: 960 Location: Pinxton, Nottingham, England.
|
Posted: Sun May 23, 2010 7:34 pm Post subject: |
|
|
As D2 has a 390 Ohm resistor feeding it, I would expect it's value to be C5V1. This IMHO would give good headroom for external voltage variations.
I didn't realise there were so many electronics buffs on here. I tend to agree with Drikko probably both same value. _________________ Regards Tim,
Grey haired riders don't get that way by pure luck
1996 Guzzi Cali3 LAPD
1972 750 Commando
G6HRN
#485 |
|
| Back to top |
|
 |
malcolmt Flying Brick Rider
Joined: 23 Apr 2007 Posts: 369 Location: Parys, S.Africa
|
Posted: Mon May 24, 2010 4:00 am Post subject: |
|
|
I pulled out D2 over the weekend.
Its 7.5v.
When i get a spare mo I'll check the working card in the K11 clocks correct D3, and post a proper schematic.
Maybe D3 is a 5v1 zener. _________________ ******************************
A Bike on the road is worth two
in the shed
****************************** |
|
| Back to top |
|
 |
drikko Flying Brick Rider
Joined: 20 Nov 2009 Posts: 1966 Location: Brisbane, OZ
|
Posted: Mon Jul 05, 2010 9:01 am Post subject: |
|
|
Finally happened upon the circuit diagrams I had seen years ago here:-
http://www.ibmwr.org/ktech/speedo.gif
Looks like that last diode is just a simple diode not a zener at all. A 1n4148 or simiar should do. _________________ K1100RS '97
Laverda RGS 1000 '84
Jim Young Trailer Sailer 5.7M WB
DISCLAIMER:- Anything I say may have been when I was drunk so please don't take it personally.
'Bigamy is having one wife/husband too many. Monogamy is the same.'
Oscar Wilde |
|
| Back to top |
|
 |
malcolmt Flying Brick Rider
Joined: 23 Apr 2007 Posts: 369 Location: Parys, S.Africa
|
Posted: Mon Jul 05, 2010 10:33 am Post subject: |
|
|
Whoopee do
thanks a mill, i'll check it against my schematic when home. _________________ ******************************
A Bike on the road is worth two
in the shed
****************************** |
|
| Back to top |
|
 |
|